منزل، بيت > أخبار > أخبار الشركة > بطانات مدخل/مخرج متقدمة لتعزيز موثوقية الشبكة
أخبار
أخبار الشركة
معرضأكثر>>
اتصل بنا
يرجى الاتصال بفريق خدمة العملاء للحصول على خدمات مخصصة.

بطانات مدخل/مخرج متقدمة لتعزيز موثوقية الشبكة

بطانات مدخل/مخرج متقدمة لتعزيز موثوقية الشبكة

Comking https://www.comkingpower.com/ 2025-10-10 10:57:26

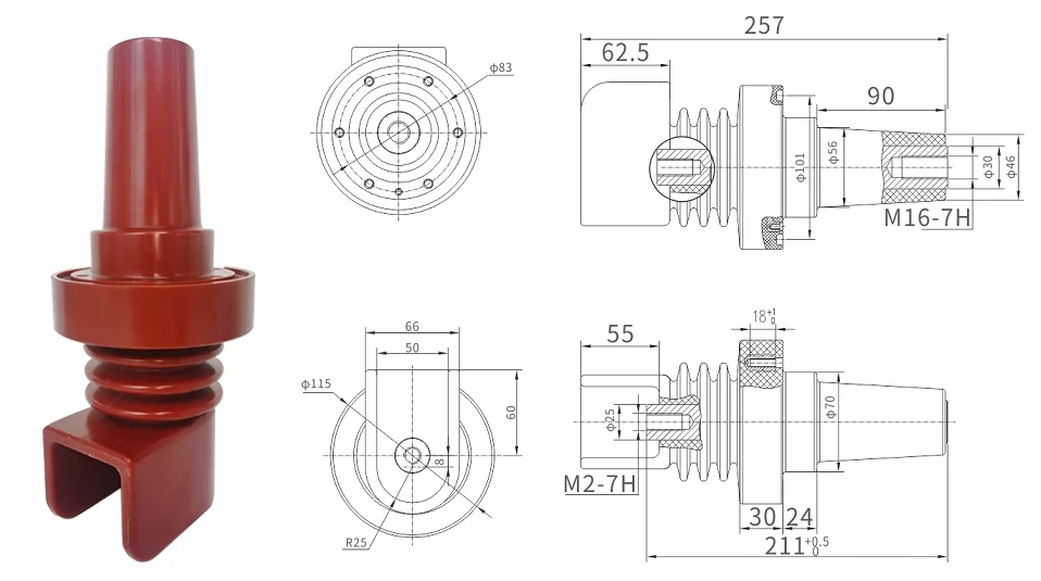
تعتمد كفاءة وسلامة شبكة توزيع الطاقة بشكل كبير على أداء أصغر مكوناتها. تُعدّ بطانات الدخول والخروج نقاط دخول وخروج أساسية للموصلات الكهربائية في معدات مثل وحدات الحلقة الرئيسية والمحولات. تتخصص شركة تشوهاي كومكينغ للكهرباء، بخبرتها الواسعة في معدات الطاقة، في تصنيع بطانات عالية الأداء. جلبة مدخل/مخرج مقاومة للعوامل الجوية المكونات التي توفر قوة عازلة استثنائية، والاستقرار الميكانيكي، والمرونة البيئية، مما يضمن تدفق الطاقة دون انقطاع.

 

 

تُصنع بطانات المدخل/المخرج لدينا من مواد بوليمرية مركبة متطورة، مما يوفر مزايا فائقة مقارنةً بالبورسلين التقليدي. تشمل هذه المزايا خفة وزنها بشكل ملحوظ، مما يُسهّل التعامل والتركيب، ومقاومة فائقة للتخريب والصدمات العرضية. كما أن السطح المقاوم للماء للغلاف المركب يُقلل من خطر تسرب الماء إلى السطح في ظروف الأمطار أو الثلوج. وهذا يجعلها مكونًا مثاليًا في حلولنا الصينية لحماية المحولات من المطر والثلج، حيث توفر طبقة حماية إضافية ضد العوامل الجوية في التطبيقات الخارجية.

نحن نركز على تقديم جلبة مدخل/مخرج منخفضة السعر دون المساس بالجودة أو الأداء. يتضمن تصميمنا نظام عزل موثوق يمنع دخول الرطوبة، وهو سبب شائع لتلف العزل. يتم التحكم بدقة في المجال الكهربائي الداخلي من خلال هندسة دقيقة وطبقات شبه موصلة، مما يقلل من خطر التفريغ الإكليلي والتفريغ الجزئي. يضمن هذا الاهتمام بالتفاصيل عمرًا افتراضيًا طويلًا ويقلل من التكلفة الإجمالية للملكية. تتوفر بطاناتنا لمختلف فئات الجهد والتيارات، وهي متوافقة مع مجموعة واسعة من تصاميم معدات التوزيع والمحولات، مما يجعل كومكينغ إلكتريك شريكك الأمثل لمكونات توزيع الطاقة المتينة والفعّالة من حيث التكلفة.